Pneumatické válce rotační Pneumatic rotary cylinders

Transkript

Pneumatické válce rotační Pneumatic rotary cylinders
Pneumatické válce rotační
Pneumatic rotary cylinders
PVR
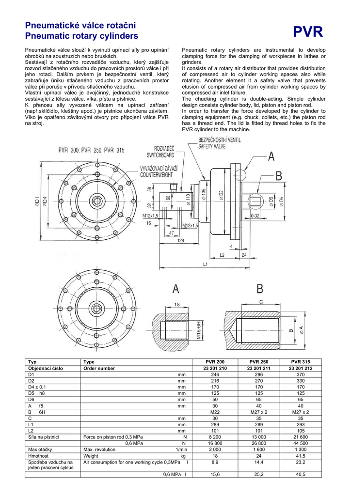
Pneumatické válce slouží k vyvinutí upínací síly pro upínání
obrobků na soustruzích nebo bruskách.
Sestávají z rotačního rozvaděče vzduchu, který zajišťuje
rozvod stlačeného vzduchu do pracovních prostorů válce i při
jeho rotaci. Dalším prvkem je bezpečnostní ventil, který
zabraňuje úniku stlačeného vzduchu z pracovních prostor
válce při poruše v přívodu stlačeného vzduchu.
Vlastní upínací válec je dvojčinný, jednoduché konstrukce
sestávající z tělesa válce, víka, pístu a pístnice.
K přenosu síly vyvozené válcem na upínací zařízení
(např.sklíčidlo, kleštiny apod.) je pístnice ukončena závitem.
Víko je opatřeno závitovými otvory pro připojení válce PVR
na stroj.
Typ
Objednací číslo
D1
D2
D4 ± 0,1
D5 h8
D6
A
f8
B
6H
C
L1
L2
Síla na pístnici
Max otáčky
Hmotnost
Spotřeba vzduchu na
jeden pracovní cyklus
Pneumatic rotary cylinders are instrumental to develop
clamping force for the clamping of workpieces in lathes or
grinders.
It consists of a rotary air distributor that provides distribution
of compressed air to cylinder working spaces also while
rotating. Another element it a safety valve that prevents
elusion of compressed air from cylinder working spaces by
compressed air inlet failure.
The chucking cylinder is double-acting. Simple cylinder
design consists cylinder body, lid, piston and piston rod.
In order to transfer the force developed by the cylinder to
clamping equipment (e.g. chuck, collets, etc.) the piston rod
has a thread end. The lid is fitted by thread holes to fix the
PVR cylinder to the machine.
Type
Order number
mm
mm
mm
mm
mm
mm
mm
mm
mm
Force on piston rod 0,3 MPa
N
0,6 MPa
N
Max. revolution
1/min
Weight
kg
Air consumption for one working cycle 0,3MPa l
0,6 MPa l
PVR 200
23 201 210
246
216
170
125
50
30
M22
30
289
101
8 200
16 800
2 000
18
8,9
PVR 250
23 201 211
296
270
170
125
65
40
M27 x 2
35
289
101
13 000
26 800
1 600
24
14,4
PVR 315
23 201 212
370
330
170
125
65
40
M27 x 2
35
293
105
21 600
44 500
1 300
41,5
23,2
15,6
25,2
40,5

Podobné dokumenty

Příloha 1

Příloha 1 Lane Andrew Laybourne Emmy Laybourne Emmy Laybourne Emmy Lockhartová E. London Jack Lowryová L. Lowryová L.

Více

Výsledky oboru obráběcích a tvářecích strojů za Českou republiku v

Výsledky oboru obráběcích a tvářecích strojů za Českou republiku v ve srovnání s 1. pololetím roku 2012 činí 5,8 %. Vezmeme-li ale v úvahu porovnání s rokem 2011, zjistíme, že v 1. pololetí r. 2013 došlo k 18,5% nárůstu ve srovnání s 1. pololetím r. 2011. Při anal...

Více

Výroba hutních válců - Strojírny a stavby Třinec, as

Výroba hutních válců - Strojírny a stavby Třinec, as kované a z SK materiálu. Válce vyrábíme na hotovo vč. kalibrace a to podle potřeb zákazníka. Provádíme rovněž dokončovací práce, jako např. frézování záběrových drážek a ploch vč. broušení čepů. Op...

Více

BIMETALLIC THERMOMETER TR and TU

BIMETALLIC THERMOMETER TR and TU These thermometers with a bimetallic measuring system can be used universally for measuring local temperatures in almost all branches of industry. They can be used for measuring for less demanding ...

Více

BIMETALLIC THERMOMETER TR and TU

BIMETALLIC THERMOMETER TR and TU These thermometers with a bimetallic measuring system can be used universally for measuring local temperatures in almost all branches of industry. They can be used for measuring for less demanding ...

Více

UPÍNACÍ HROTY ČSN ISO 298 (24 3310) DIN 806 www.panas.sk

UPÍNACÍ HROTY ČSN ISO 298 (24 3310) DIN 806 www.panas.sk různorodé kusové výrobě. Podle použité vyměnitelné vložky je možno upínat obrobky v 60ti stupňovém důlku, obrobky se 60ti stupňovým hrotem, součásti bez navrtaného důlku za povrch, trubky za vnitřn...

Více